Contact Person :Mrs. Manager Li
Business Phone :+86 17367932686
WeChat :+86 17367932686
Email :huadeyeya15@gmail.com
Contact Person :Mrs. Manager yu
Business Phone :+86-18132627672
WhatsApp :+8618132627672
WeChat :+86-18132627672
Email :huadeyeya@gmail.com

Product Details:
Place of Origin: China
Certification: ISO9001-2008
Model Number: 2FRE10
Payment & Shipping Terms:
Minimum Order Quantity: 10
Packaging Details: export packing
Delivery Time: 10-15 days
Payment Terms: T/T, Paypal, Western Union
Categories: Proportional valve
1. Product basic information
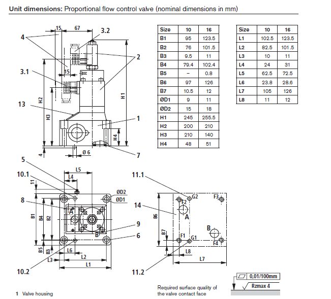
Product Name: Two-way proportional speed control valve 2FRE10. 2FRE16.
2. product attributes
Brand: Huade Hydraulic
Model: 2FRE10
Certification: ISO9001-2008
Country of origin: China
3. custom attributes: 2FRE type valve is a two-way structure with electromagnetic feedback of the electromagnetic proportional speed control valve, the flow of the control system with a given electrical signal is kept constant, independent of pressure and temperature changes,
4. transaction information (improve the transaction information, to facilitate buyers to make purchasing decisions)
Minimum order quantity: 10 ordering
(Please fill in the values and units at the same time)
Price: RMB 5,800
(Please also fill in the values and units. Suggested directions are: currency type + price range + unit of measure)
Payment method: T/T, Paypal, Western Union
Supply capacity: annual output of 1000000
(Please fill in the values and units at the same time. The recommended way to fill in is: quantity + unit of measure + per time unit)
Delivery period: 10-15 days
(x-y days can be shipped)
Regular packaging: export packaging
(It is recommended to fill in the package form, size, and the number of products that can be loaded in various types of containers, so that buyers can understand.)
Remarks: Please fill in the above content carefully!
5. product description:







Contact Person :Mrs. Manager Li
Business Phone :+86 17367932686
WeChat :+86 17367932686
Email :huadeyeya15@gmail.com
Contact Person :Mrs. Manager yu
Business Phone :+86-18132627672
WhatsApp :+8618132627672
WeChat :+86-18132627672
Email :huadeyeya@gmail.com






Copyright © 2025 Huade Hydraulic Technology Co. Ltd. All Rights Reserved.